
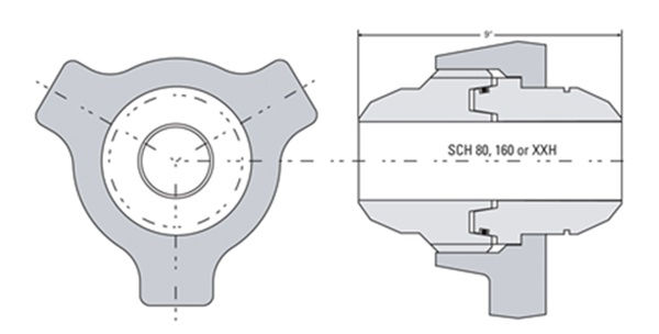
The Hiltap™ 3IU impact union does what a conventional hammer union does, only better. Our “impact union” is designed for leak proof operation over a wide range of temperatures and pressures. The re-useable sealing components offer a metal-to-metal wedge seal, as well as an additional o-ring seal, targeting full compliance to the latest environmental laws.
Applications include: Next to sensitive electronic equipment e.g. most flow meters, modular skid “tie-ins”, high pressure gas/oil, meter/production flow production, gas distribution “tie-ins”, high axial load stresses, sour gas, unconventionally high pressures and high erosion/corrosion applications.


Coming soon.


Coming soon.
Reach Out to Our Customer Support Team for Prompt Assistance and Answers to Any Questions or Concerns You May Have
Contact Us for Technical Support on Your Projects and Resolving Any Technical Issues You Encounter
Locate a Nearby Distributor for Replacement Parts
Product Information request form to find the right solution