OPW Transport Series Dry Disconnect Couplings are considered the standard of the industry for use on multi-compartment petroleum, solvent and chemical product delivery trucks with an on-board pumping unit.
Order Guide
Ordering Specification:
| Prod. No. | Size/Description |
| 1711ESL-AL20 | 2” KVL Coupler/Elbow Swivel, Locking Arms, Buna-N |
| 1712ESL-AL20 | 2” KVL Coupler/Elbow Swivel, Locking Arms, Fluorocarbon |
| 1714ESL-AL20 | 2” KVL Coupler/Elbow Swivel, Locking Arms, EPDM |
Order Guide
Ordering Specification:
| Prod. No. | Size/Description |
| 1711ES-0200 | 2” Aluminum, Acetal, Buna-N Seals |
| 1712ES-0200 | 2” Aluminum, Acetal, Fluorocarbon Seals |
| 1714ES-0020 | 2” EPDM Aluminum, Acetal, EPDM |
Click on the title below to view the technical information.
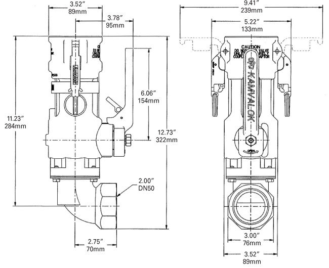
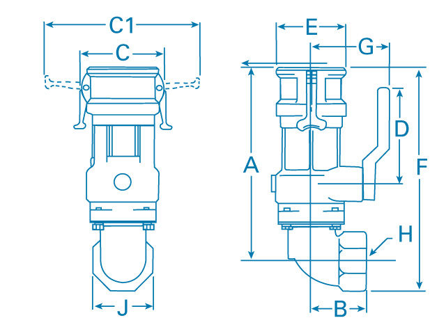
Dimensions
Materials
| Size In Inches (Nominal) | 2" | |
| A | Top of body to centerline of elbow | 9-9/16" |
| B | Centerline of elbow to end of elbow | 2-3/4" |
| C | Distance across cam arms when closed | 4-3/8" |
| C1 | Distance across cam arms when open | 8" |
| D | Centerline of stem to end of handle | 4-5/8" |
| E | Diameter of coupler end | 3-33/64" |
| F | Length of unit | 11-3/16" |
| G | Centerline of coupler to outside of handle | 3-5/8" |
| H | Pipe thread (NPT) | 2" |
| J | Distance across flats of octagon | 3" |
Parts Breakdown
Kamvalok Operations
Below is a listing of some of the products/applications that have successfully used Kamvalok® couplers.
| Chemical | Application |
| Acetone | Tank Cars |
| Acrylates | In Plant |
| Acrylic Acid | Tank Truck |
| Acrylonitrile | Tank Cars |
| Acrylonitrile, MMA, Butyl Acrylate | |
| Allyl Chloride | |
| Allyl Lites | |
| Amines (Various) | Tank Truck |
| Anthranilic Acid (AA) | Tank Cars |
| Anthranilic Acid (AA) | Tank Truck |
| Automotive Paint | In Plant |
| Benzene | Tank Cars |
| Benzene | Tank Truck |
| Butyl Acrylate | Tank Trucks |
| Butyl Acrylate, Acrylic Acid, Acrylic Monomers | |
| C5 Raffinate | Tank Truck |
| Crude Acetone | Tank Truck |
| Crude MBA | Tank Truck |
| CTLO (coal tar light oil) | Tank Cars |
| Cumene | Tank Truck |
| DCDP | Tank Truck |
| Diesel Exhaust Fluid (DEF) | Totes |
| Dow Therm | Tank Trucks |
| Enserv | Totes/trucks |
| Epichlorohydrin | Tank Cars |
| Ethelyne Oxide | Rail Car |
| Ethyl Acrylate | Tank Cars |
| Ethyl Acrylate | Tank Truck |
| Ethylene Oxide (EO) | Tank Cars |
| Flex Caustic | Tank Truck |
| Glycol (deicing fluids) | Tank Trucks |
| Hydrogen Peroxide | Rail Car |
| Isoprene | Tank Truck |
| Isopropyl Alcohol | Tank Truck |
| Light Paralysis Oil | Tank Truck |
| LRO | Tank Truck |
| Lubricating Oils | Tank Trucks |
| Methanol | Rail Car |
| Mixed Alcohol | Tank Truck |
| Monochloroacetic Acid, 80% Solution (MCAA) | |
| Nitirc Acid | Tank Truck |
| Paralysis | Tank Truck |
| Peperzine | Tank Truck |
| Piperylene | Tank Truck |
| Polyol | Rail Car |
| Propylene | Tank Cars |
| Propylene Oxide (PO) | Tank Truck |
| Propylene Oxide (PO) | Rail Car |
| RTBA | Tank Truck |
| Sour Gasoline | Tank Cars |
| Spent Caustic | Tank Truck |
| Styrene | Tank Truck |
| Styrene | Rail Car |
| Sulfuric Acid (H2SO4), virgin 96% | Tank Truck |
| Tebol 99 | Tank Truck |
| Telene (tobacco herbicide) | Totes/trucks |
| Telone II | |
| Tert-Butyl Hydroperoxide (TBHP) | Tank Truck |
| Trichlorobenzoic (TBA) Acetone | Tank Truck |
| Trichlorobenzoic (TBA) Heavies | Tank Truck |
| WFE Distillate | Tank Truck |
| WFE Feed | Tank Truck |
| WFE Heavies | Tank Truck |
| AAR Number | Description |
| E129504 | 1600AN Series Kamvalok Adpater – Threaded |
| E129505 | 1600ANF Series Kamvalok Adapter – Flanged |
| E129507 | 634B/733DCL Series Kamlok/Autolok Dust Caps |
| CRN Number | Region | Description |
| OA4911.5R1 | Ontario | 1.5”, 2”, 3” Aluminum and SST Kamvalok |
Order Guide
Ordering Specification:
| Prod. No. | Size/Description |
| 1711ESL-AL20 | 2” KVL Coupler/Elbow Swivel, Locking Arms, Buna-N |
| 1712ESL-AL20 | 2” KVL Coupler/Elbow Swivel, Locking Arms, Fluorocarbon |
| 1714ESL-AL20 | 2” KVL Coupler/Elbow Swivel, Locking Arms, EPDM |
Order Guide
Ordering Specification:
| Prod. No. | Size/Description |
| 1711ES-0200 | 2” Aluminum, Acetal, Buna-N Seals |
| 1712ES-0200 | 2” Aluminum, Acetal, Fluorocarbon Seals |
| 1714ES-0020 | 2” EPDM Aluminum, Acetal, EPDM |
Click on the title below to view the technical information.
Dimensions
Materials
| Size In Inches (Nominal) | 2" | |
| A | Top of body to centerline of elbow | 9-9/16" |
| B | Centerline of elbow to end of elbow | 2-3/4" |
| C | Distance across cam arms when closed | 4-3/8" |
| C1 | Distance across cam arms when open | 8" |
| D | Centerline of stem to end of handle | 4-5/8" |
| E | Diameter of coupler end | 3-33/64" |
| F | Length of unit | 11-3/16" |
| G | Centerline of coupler to outside of handle | 3-5/8" |
| H | Pipe thread (NPT) | 2" |
| J | Distance across flats of octagon | 3" |
Parts Breakdown
Kamvalok Operations
Below is a listing of some of the products/applications that have successfully used Kamvalok® couplers.
| Chemical | Application |
| Acetone | Tank Cars |
| Acrylates | In Plant |
| Acrylic Acid | Tank Truck |
| Acrylonitrile | Tank Cars |
| Acrylonitrile, MMA, Butyl Acrylate | |
| Allyl Chloride | |
| Allyl Lites | |
| Amines (Various) | Tank Truck |
| Anthranilic Acid (AA) | Tank Cars |
| Anthranilic Acid (AA) | Tank Truck |
| Automotive Paint | In Plant |
| Benzene | Tank Cars |
| Benzene | Tank Truck |
| Butyl Acrylate | Tank Trucks |
| Butyl Acrylate, Acrylic Acid, Acrylic Monomers | |
| C5 Raffinate | Tank Truck |
| Crude Acetone | Tank Truck |
| Crude MBA | Tank Truck |
| CTLO (coal tar light oil) | Tank Cars |
| Cumene | Tank Truck |
| DCDP | Tank Truck |
| Diesel Exhaust Fluid (DEF) | Totes |
| Dow Therm | Tank Trucks |
| Enserv | Totes/trucks |
| Epichlorohydrin | Tank Cars |
| Ethelyne Oxide | Rail Car |
| Ethyl Acrylate | Tank Cars |
| Ethyl Acrylate | Tank Truck |
| Ethylene Oxide (EO) | Tank Cars |
| Flex Caustic | Tank Truck |
| Glycol (deicing fluids) | Tank Trucks |
| Hydrogen Peroxide | Rail Car |
| Isoprene | Tank Truck |
| Isopropyl Alcohol | Tank Truck |
| Light Paralysis Oil | Tank Truck |
| LRO | Tank Truck |
| Lubricating Oils | Tank Trucks |
| Methanol | Rail Car |
| Mixed Alcohol | Tank Truck |
| Monochloroacetic Acid, 80% Solution (MCAA) | |
| Nitirc Acid | Tank Truck |
| Paralysis | Tank Truck |
| Peperzine | Tank Truck |
| Piperylene | Tank Truck |
| Polyol | Rail Car |
| Propylene | Tank Cars |
| Propylene Oxide (PO) | Tank Truck |
| Propylene Oxide (PO) | Rail Car |
| RTBA | Tank Truck |
| Sour Gasoline | Tank Cars |
| Spent Caustic | Tank Truck |
| Styrene | Tank Truck |
| Styrene | Rail Car |
| Sulfuric Acid (H2SO4), virgin 96% | Tank Truck |
| Tebol 99 | Tank Truck |
| Telene (tobacco herbicide) | Totes/trucks |
| Telone II | |
| Tert-Butyl Hydroperoxide (TBHP) | Tank Truck |
| Trichlorobenzoic (TBA) Acetone | Tank Truck |
| Trichlorobenzoic (TBA) Heavies | Tank Truck |
| WFE Distillate | Tank Truck |
| WFE Feed | Tank Truck |
| WFE Heavies | Tank Truck |
| AAR Number | Description |
| E129504 | 1600AN Series Kamvalok Adpater – Threaded |
| E129505 | 1600ANF Series Kamvalok Adapter – Flanged |
| E129507 | 634B/733DCL Series Kamlok/Autolok Dust Caps |
| CRN Number | Region | Description |
| OA4911.5R1 | Ontario | 1.5”, 2”, 3” Aluminum and SST Kamvalok |