The new Kamvalok® Flat is the next generation of OPW dry-disconnect couplings. We’ve taken our proven, best-in-class Kamvalok and flattened the connection points. This effectively eliminates all cavities where liquid can pool and subsequently spill upon disconnection.
Adaptor Ordering Information
Click on the title below to view the technical information.
| Sizes in Inches (Approximate) | 1 1/2" | 2" | 3" | |
| A | Length of Body | 8" | 8.81" | 10.03" |
| B | Diameter of Body | 3.12" | 3.52" | 5.50" |
| C | Distance across Cam Arms - closed | 4.75" | 5.22" | 7.34" |
| C1 | Distance across Cam Arms - open | 8.94" | 9.41" | 14.78" |
| D | Centerline of Shaft to end of Handle | 6.06" | 6.06" | 6.06" |
| E | Diameter of Coupler End | 3.12" | 3.52" | 5.50" |
| F | Length from Pipe End to end of Handle | 7.98" | 8.03" | 8.56" |
| G | Centerline of Coupler to top of Handle | 3.56" | 3.75" | 4.53" |
| H | Pipe Thread (NPT) | 1.50" (DN40) | 2" (DN50) | 3" (DN80) |
Design Parameters
| Max Design Pressure | 1-1⁄2" Size - 210 psig (15 bar) | |
| Temperature Range | • Buna-N | -20°F – 212°F (-29°C – 100°C) |
| • Fluorocarbon | -20°F – 400°F (-29°C – 204°C) | |
| • PTFE Encapsulated Silicone | -15ºF – 400ºF (-26ºC – 204ºC) | |
| • EPDM | -50°F – 250°F (-46°C – 121°C) | |
| • FFKM* | -15°F – 400°F (-26°C – 204°C) | |
| Design Standard | Size | ASME | ASME |
| Max. Design Temp | ALL | See Material Section | See Material Section |
| Min. Design Temp | ALL | See Material Section | See Material Section |
| Max Design Pressure | 1-1/2" | 15 Bar | 210 psi |
| 2" | 10.5 Bar | 150 psi | |
| 3" | 8.5 Bar | 120 psi |
Materials
| Body, Poppet, Seal Cylinder | Aluminum, Stainless Steel |
| Shaft Link, Cam Arms, Poppet Link | Stainless Steel |
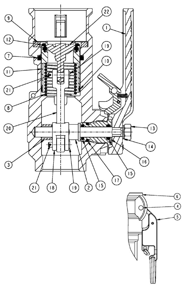
Parts Breakdown
| # | Description | Qty | 1-1/2" | 2" | 3" | RK |
| 1 | Lever Assembly | 1 | H32040 | H32040 | H32040 | |
| 2 | Shaft | 1 | C21119RE | C21123RE | C21112RE | |
| 3 | Spacer | 1 | H32031RE | H32030RE | H32032RE | |
| 4 | Groove Pin, Cam Arm | 2 | H20141M | H20141M | H20144M | |
| 5 | Autolok™ Arm Assembly | 1 | 733ARK-SS20 | 733ARK-SS20 | 733ARK-SS30-PADDLE | |
| 6 | Body | 1 | C21120A (EW) | C21128A (EW) | C21113A (EW) | |
| 7 | O-Ring, Main Seal | 1 | See Seal Options | See Seal Options | See Seal Options | + |
| 8 | Spring | 1 | H06128M | H04328M | H10352M | |
| 9 | Gasket | 1 | See Seal Options | See Seal Options | See Seal Options | + |
| 10 | Guide, Seal Cylinder | 1 | H31539M | H31540M | H31541M | + |
| 11 | Seal Cylinder | 1 | H31542A (EW) | H31543A (EW) | H31544A (EW) | + |
| 12 | Nose Seal | 1 | See Seal Options | See Seal Options | See Seal Options | + |
| 13 | Nut, Shaft | 1 | H32111M | H32111M | H32111M | |
| 14 | Lock Washer, Shaft | 1 | H31920M | H31920M | H31920M | |
| 15 | O-Ring, Shaft | 2 | See Seal Options | See Seal Options | See Seal Options | + |
| 16 | StuffingBox | 1 | C20812RE | C20812RE | C20812RE | |
| 17 | O-Ring StuffingBox | 1 | See Seal Options | See Seal Options | See Seal Options | + |
| 18 | Shaft Link | 1 | 9C21118EW | 9C21125EW | 9C21111EW | |
| 19 | Clevis Pin | 2 | H31692M | H31692M | H31688M | |
| 20 | Poppet Link | 1 | 9C21117EW | 9C21124EW | 9C21110EW | |
| 21 | Cotter Pin | 2 | H04981M | H04981M | H04981M | + |
| 22 | Poppet | 1 | C21121A (EW) | C21129A (EW) | C21115A (EW) | |
| 23* | Guidebearing | 1 | N/A | N/A | N/A | + |
| Note: (EW) Replaces A for SST Fittings *Note: Not Shown | + Items included in repair kits | |||||
Seal Options
| SEALS | |||||
|---|---|---|---|---|---|
| 1 ½" | O-Ring, Main Seal | Gasket | Nose Seal | O-Ring, Shaft | O-Ring, Stuffingbox |
| Buna-N | H03051M | H20544M | H31527M | H20129M | H31705M |
| Fluorocarbon | H03070M | H00973M | H31530M | H20175M | H31706M |
| Teflon® | H20184M | H07904M | H31536M | H33153M | H33154M |
| EPT | H03596M | H20536M | H31533M | H20176M | H31707M |
| FFKM | H33190M | H33251M | H31536M | H33153M | H33154M |
|
|
|
|
| |
| 2" | O-Ring, Main Seal | Gasket | Nose Seal | O-Ring, Shaft | O-Ring, Stuffingbox |
| Buna-N | H06223M | H20545M | H31528M | H20129M | H31705M |
| Fluorocarbon | H31865M | H00974M | H31531M | H20175M | H31706M |
| Teflon® | H20185M | H07905M | H31537M | H33153M | H33154M |
| EPT | H06142M | H20537M | H31534M | H20176M | H31707M |
| FFKM | H33191M | H33252M | H31537M | H33153M | H33154M |
|
|
|
|
| |
| 3" | O-Ring, Main Seal | Gasket | Nose Seal | O-Ring, Shaft | O-Ring, Stuffingbox |
| Buna-N | H05152M | H32180M | H31529M | H20129M | H31705M |
| Fluorocarbon | H31841M | H32181M | H31532M | H20175M | H31706M |
| Teflon® | H20186M | H31562M | H31538M | H33153M | H33154M |
| EPT | H10209M | H20266M | H31535M | H20176M | H31707M |
| FFKM | H33197M | H33253M | H31538M | H33153M | H33154M |
Temperature/Pressure Chart
Flow Chart
Operation
OPW Engineered Systems Kamvalok® Dry Disconnects are easy to operate. Connections and disconnects are accomplished by simply closing and opening two cam arms which lock into the machined groove around the circumference of the mating adaptor. The adaptor contains a spring- loaded poppet assembly that is actuated by the handle-action on the coupler.
Drippage Data
| Coupler Poppet Style | Adaptor Poppet Style | Orientation of Connection | 1-1/2” | 2” Avg. Drippage (ml) | 3” Avg. Drippage (ml) |
| FLAT | FLAT | Vertical | 0.96 | 0.8 | 0.8 |
| FLAT | FLAT | Horizontal | 2.4 | 3.5 | 1.3 |
| FLAT | Std. Face | Horizontal | 5.4 | 5.8 | 1.7 |
| FLAT | Std. Face | Vertical | 3.4 | 4 | 13.5 |
| Std. Face | Std. Face | Vertical | 1.3 | 2.6 | 5.5 |
| Std. Face | Std. Face | Horizontal | 3 | 4.5 | 7 |
| Std. Face | FLAT | Vertical | 1 | 2.8 | 2 |
| Std. Face | FLAT | Horizontal | 2.4 | 7.2 | 3.8 |
Below is a listing of some of the products/applications that have successfully used Kamvalok® couplers.
| Chemical | Application |
| Acetone | Tank Cars |
| Acrylates | In Plant |
| Acrylic Acid | Tank Truck |
| Acrylonitrile | Tank Cars |
| Acrylonitrile, MMA, Butyl Acrylate | |
| Allyl Chloride | |
| Allyl Lites | |
| Amines (Various) | Tank Truck |
| Anthranilic Acid (AA) | Tank Cars |
| Anthranilic Acid (AA) | Tank Truck |
| Automotive Paint | In Plant |
| Benzene | Tank Cars |
| Benzene | Tank Truck |
| Butyl Acrylate | Tank Trucks |
| Butyl Acrylate, Acrylic Acid, Acrylic Monomers | |
| C5 Raffinate | Tank Truck |
| Crude Acetone | Tank Truck |
| Crude MBA | Tank Truck |
| CTLO (coal tar light oil) | Tank Cars |
| Cumene | Tank Truck |
| DCDP | Tank Truck |
| Diesel Exhaust Fluid (DEF) | Totes |
| Dow Therm | Tank Trucks |
| Enserv | Totes/trucks |
| Epichlorohydrin | Tank Cars |
| Ethelyne Oxide | Rail Car |
| Ethyl Acrylate | Tank Cars |
| Ethyl Acrylate | Tank Truck |
| Ethylene Oxide (EO) | Tank Cars |
| Flex Caustic | Tank Truck |
| Glycol (deicing fluids) | Tank Trucks |
| Hydrogen Peroxide | Rail Car |
| Isoprene | Tank Truck |
| Isopropyl Alcohol | Tank Truck |
| Light Paralysis Oil | Tank Truck |
| LRO | Tank Truck |
| Lubricating Oils | Tank Trucks |
| Methanol | Rail Car |
| Mixed Alcohol | Tank Truck |
| Monochloroacetic Acid, 80% Solution (MCAA) | |
| Nitirc Acid | Tank Truck |
| Paralysis | Tank Truck |
| Peperzine | Tank Truck |
| Piperylene | Tank Truck |
| Polyol | Rail Car |
| Propylene | Tank Cars |
| Propylene Oxide (PO) | Tank Truck |
| Propylene Oxide (PO) | Rail Car |
| RTBA | Tank Truck |
| Sour Gasoline | Tank Cars |
| Spent Caustic | Tank Truck |
| Styrene | Tank Truck |
| Styrene | Rail Car |
| Sulfuric Acid (H2SO4), virgin 96% | Tank Truck |
| Tebol 99 | Tank Truck |
| Telene (tobacco herbicide) | Totes/trucks |
| Telone II | |
| Tert-Butyl Hydroperoxide (TBHP) | Tank Truck |
| Trichlorobenzoic (TBA) Acetone | Tank Truck |
| Trichlorobenzoic (TBA) Heavies | Tank Truck |
| WFE Distillate | Tank Truck |
| WFE Feed | Tank Truck |
| WFE Heavies | Tank Truck |
Photo Album
Videos
Downloads
Approvals
| AAR Number | Description |
| E129504 | 1600AN Series Kamvalok Adapter – Threaded |
| E129505 | 1600ANF Series Kamvalok Adapter – Flanged |
| E129507 | 634B/733DCL Series Kamlok/Autolok Dust Caps |
| CRN Number | Region | Description |
| OA4911.5R1 | Ontario | 1.5”, 2”, 3” Aluminum and SST Kamvalok |
Adaptor Ordering Information
Click on the title below to view the technical information.
| Sizes in Inches (Approximate) | 1 1/2" | 2" | 3" | |
| A | Length of Body | 8" | 8.81" | 10.03" |
| B | Diameter of Body | 3.12" | 3.52" | 5.50" |
| C | Distance across Cam Arms - closed | 4.75" | 5.22" | 7.34" |
| C1 | Distance across Cam Arms - open | 8.94" | 9.41" | 14.78" |
| D | Centerline of Shaft to end of Handle | 6.06" | 6.06" | 6.06" |
| E | Diameter of Coupler End | 3.12" | 3.52" | 5.50" |
| F | Length from Pipe End to end of Handle | 7.98" | 8.03" | 8.56" |
| G | Centerline of Coupler to top of Handle | 3.56" | 3.75" | 4.53" |
| H | Pipe Thread (NPT) | 1.50" (DN40) | 2" (DN50) | 3" (DN80) |
Design Parameters
| Max Design Pressure | 1-1⁄2" Size - 210 psig (15 bar) | |
| Temperature Range | • Buna-N | -20°F – 212°F (-29°C – 100°C) |
| • Fluorocarbon | -20°F – 400°F (-29°C – 204°C) | |
| • PTFE Encapsulated Silicone | -15ºF – 400ºF (-26ºC – 204ºC) | |
| • EPDM | -50°F – 250°F (-46°C – 121°C) | |
| • FFKM* | -15°F – 400°F (-26°C – 204°C) | |
| Design Standard | Size | ASME | ASME |
| Max. Design Temp | ALL | See Material Section | See Material Section |
| Min. Design Temp | ALL | See Material Section | See Material Section |
| Max Design Pressure | 1-1/2" | 15 Bar | 210 psi |
| 2" | 10.5 Bar | 150 psi | |
| 3" | 8.5 Bar | 120 psi |
Materials
| Body, Poppet, Seal Cylinder | Aluminum, Stainless Steel |
| Shaft Link, Cam Arms, Poppet Link | Stainless Steel |
Parts Breakdown
| # | Description | Qty | 1-1/2" | 2" | 3" | RK |
| 1 | Lever Assembly | 1 | H32040 | H32040 | H32040 | |
| 2 | Shaft | 1 | C21119RE | C21123RE | C21112RE | |
| 3 | Spacer | 1 | H32031RE | H32030RE | H32032RE | |
| 4 | Groove Pin, Cam Arm | 2 | H20141M | H20141M | H20144M | |
| 5 | Autolok™ Arm Assembly | 1 | 733ARK-SS20 | 733ARK-SS20 | 733ARK-SS30-PADDLE | |
| 6 | Body | 1 | C21120A (EW) | C21128A (EW) | C21113A (EW) | |
| 7 | O-Ring, Main Seal | 1 | See Seal Options | See Seal Options | See Seal Options | + |
| 8 | Spring | 1 | H06128M | H04328M | H10352M | |
| 9 | Gasket | 1 | See Seal Options | See Seal Options | See Seal Options | + |
| 10 | Guide, Seal Cylinder | 1 | H31539M | H31540M | H31541M | + |
| 11 | Seal Cylinder | 1 | H31542A (EW) | H31543A (EW) | H31544A (EW) | + |
| 12 | Nose Seal | 1 | See Seal Options | See Seal Options | See Seal Options | + |
| 13 | Nut, Shaft | 1 | H32111M | H32111M | H32111M | |
| 14 | Lock Washer, Shaft | 1 | H31920M | H31920M | H31920M | |
| 15 | O-Ring, Shaft | 2 | See Seal Options | See Seal Options | See Seal Options | + |
| 16 | StuffingBox | 1 | C20812RE | C20812RE | C20812RE | |
| 17 | O-Ring StuffingBox | 1 | See Seal Options | See Seal Options | See Seal Options | + |
| 18 | Shaft Link | 1 | 9C21118EW | 9C21125EW | 9C21111EW | |
| 19 | Clevis Pin | 2 | H31692M | H31692M | H31688M | |
| 20 | Poppet Link | 1 | 9C21117EW | 9C21124EW | 9C21110EW | |
| 21 | Cotter Pin | 2 | H04981M | H04981M | H04981M | + |
| 22 | Poppet | 1 | C21121A (EW) | C21129A (EW) | C21115A (EW) | |
| 23* | Guidebearing | 1 | N/A | N/A | N/A | + |
| Note: (EW) Replaces A for SST Fittings *Note: Not Shown | + Items included in repair kits | |||||
Seal Options
| SEALS | |||||
|---|---|---|---|---|---|
| 1 ½" | O-Ring, Main Seal | Gasket | Nose Seal | O-Ring, Shaft | O-Ring, Stuffingbox |
| Buna-N | H03051M | H20544M | H31527M | H20129M | H31705M |
| Fluorocarbon | H03070M | H00973M | H31530M | H20175M | H31706M |
| Teflon® | H20184M | H07904M | H31536M | H33153M | H33154M |
| EPT | H03596M | H20536M | H31533M | H20176M | H31707M |
| FFKM | H33190M | H33251M | H31536M | H33153M | H33154M |
|
|
|
|
| |
| 2" | O-Ring, Main Seal | Gasket | Nose Seal | O-Ring, Shaft | O-Ring, Stuffingbox |
| Buna-N | H06223M | H20545M | H31528M | H20129M | H31705M |
| Fluorocarbon | H31865M | H00974M | H31531M | H20175M | H31706M |
| Teflon® | H20185M | H07905M | H31537M | H33153M | H33154M |
| EPT | H06142M | H20537M | H31534M | H20176M | H31707M |
| FFKM | H33191M | H33252M | H31537M | H33153M | H33154M |
|
|
|
|
| |
| 3" | O-Ring, Main Seal | Gasket | Nose Seal | O-Ring, Shaft | O-Ring, Stuffingbox |
| Buna-N | H05152M | H32180M | H31529M | H20129M | H31705M |
| Fluorocarbon | H31841M | H32181M | H31532M | H20175M | H31706M |
| Teflon® | H20186M | H31562M | H31538M | H33153M | H33154M |
| EPT | H10209M | H20266M | H31535M | H20176M | H31707M |
| FFKM | H33197M | H33253M | H31538M | H33153M | H33154M |
Temperature/Pressure Chart
Flow Chart
Operation
OPW Engineered Systems Kamvalok® Dry Disconnects are easy to operate. Connections and disconnects are accomplished by simply closing and opening two cam arms which lock into the machined groove around the circumference of the mating adaptor. The adaptor contains a spring- loaded poppet assembly that is actuated by the handle-action on the coupler.
Drippage Data
| Coupler Poppet Style | Adaptor Poppet Style | Orientation of Connection | 1-1/2” | 2” Avg. Drippage (ml) | 3” Avg. Drippage (ml) |
| FLAT | FLAT | Vertical | 0.96 | 0.8 | 0.8 |
| FLAT | FLAT | Horizontal | 2.4 | 3.5 | 1.3 |
| FLAT | Std. Face | Horizontal | 5.4 | 5.8 | 1.7 |
| FLAT | Std. Face | Vertical | 3.4 | 4 | 13.5 |
| Std. Face | Std. Face | Vertical | 1.3 | 2.6 | 5.5 |
| Std. Face | Std. Face | Horizontal | 3 | 4.5 | 7 |
| Std. Face | FLAT | Vertical | 1 | 2.8 | 2 |
| Std. Face | FLAT | Horizontal | 2.4 | 7.2 | 3.8 |
Below is a listing of some of the products/applications that have successfully used Kamvalok® couplers.
| Chemical | Application |
| Acetone | Tank Cars |
| Acrylates | In Plant |
| Acrylic Acid | Tank Truck |
| Acrylonitrile | Tank Cars |
| Acrylonitrile, MMA, Butyl Acrylate | |
| Allyl Chloride | |
| Allyl Lites | |
| Amines (Various) | Tank Truck |
| Anthranilic Acid (AA) | Tank Cars |
| Anthranilic Acid (AA) | Tank Truck |
| Automotive Paint | In Plant |
| Benzene | Tank Cars |
| Benzene | Tank Truck |
| Butyl Acrylate | Tank Trucks |
| Butyl Acrylate, Acrylic Acid, Acrylic Monomers | |
| C5 Raffinate | Tank Truck |
| Crude Acetone | Tank Truck |
| Crude MBA | Tank Truck |
| CTLO (coal tar light oil) | Tank Cars |
| Cumene | Tank Truck |
| DCDP | Tank Truck |
| Diesel Exhaust Fluid (DEF) | Totes |
| Dow Therm | Tank Trucks |
| Enserv | Totes/trucks |
| Epichlorohydrin | Tank Cars |
| Ethelyne Oxide | Rail Car |
| Ethyl Acrylate | Tank Cars |
| Ethyl Acrylate | Tank Truck |
| Ethylene Oxide (EO) | Tank Cars |
| Flex Caustic | Tank Truck |
| Glycol (deicing fluids) | Tank Trucks |
| Hydrogen Peroxide | Rail Car |
| Isoprene | Tank Truck |
| Isopropyl Alcohol | Tank Truck |
| Light Paralysis Oil | Tank Truck |
| LRO | Tank Truck |
| Lubricating Oils | Tank Trucks |
| Methanol | Rail Car |
| Mixed Alcohol | Tank Truck |
| Monochloroacetic Acid, 80% Solution (MCAA) | |
| Nitirc Acid | Tank Truck |
| Paralysis | Tank Truck |
| Peperzine | Tank Truck |
| Piperylene | Tank Truck |
| Polyol | Rail Car |
| Propylene | Tank Cars |
| Propylene Oxide (PO) | Tank Truck |
| Propylene Oxide (PO) | Rail Car |
| RTBA | Tank Truck |
| Sour Gasoline | Tank Cars |
| Spent Caustic | Tank Truck |
| Styrene | Tank Truck |
| Styrene | Rail Car |
| Sulfuric Acid (H2SO4), virgin 96% | Tank Truck |
| Tebol 99 | Tank Truck |
| Telene (tobacco herbicide) | Totes/trucks |
| Telone II | |
| Tert-Butyl Hydroperoxide (TBHP) | Tank Truck |
| Trichlorobenzoic (TBA) Acetone | Tank Truck |
| Trichlorobenzoic (TBA) Heavies | Tank Truck |
| WFE Distillate | Tank Truck |
| WFE Feed | Tank Truck |
| WFE Heavies | Tank Truck |
Photo Album
Videos
Downloads
Approvals
| AAR Number | Description |
| E129504 | 1600AN Series Kamvalok Adapter – Threaded |
| E129505 | 1600ANF Series Kamvalok Adapter – Flanged |
| E129507 | 634B/733DCL Series Kamlok/Autolok Dust Caps |
| CRN Number | Region | Description |
| OA4911.5R1 | Ontario | 1.5”, 2”, 3” Aluminum and SST Kamvalok |